/
/
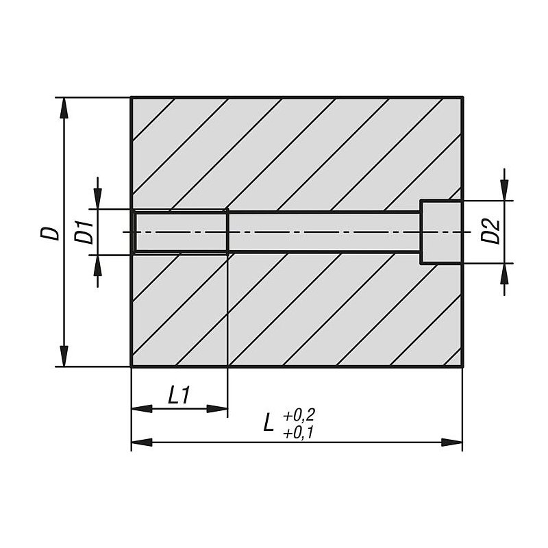
02389-90 – Çelik destek bulonu

02389-90 – Çelik destek bulonu

Category

Norelem Türkiye Distribütörü Hidkom Mühendislik'ten sipariş vermek için satis3@hidkom.com adresine mail atabilir veya 0 530 661 62 47 no'lu telefondan ulaşabilirsiniz.


Açıklama

Malzeme:

Destek bulonu, sementasyon çeliği 1.7139.

sertleştirilmiş.

Çelik destek bulonları, takım ve kalıp yapımında takımların ve kalıpların sağlam desteklenmesini, hassas hizalanmasını ve yüksek mukavemetini sağlayan bileşenlerdir.

Burada bilgiler toplu halde PDF olarak sunulur:
CAD verileri mi arıyorsunuz? Bunları doğrudan ürün tablosunda bulabilirsiniz.


Bu ürünün adı aynı zamanda Dişli Burç, Aralayıcı, Standoff, Tabela Yükseltici, Dişli Kovan gibi isimler olmaktadır.

Değerlendirmeler

Henüz değerlendirme yapılmadı.

“02389-90 – Çelik destek bulonu” için yorum yapan ilk kişi siz olun

E-posta adresiniz yayınlanmayacak. Gerekli alanlar * ile işaretlenmişlerdir

Shopping Cart0

Sepet