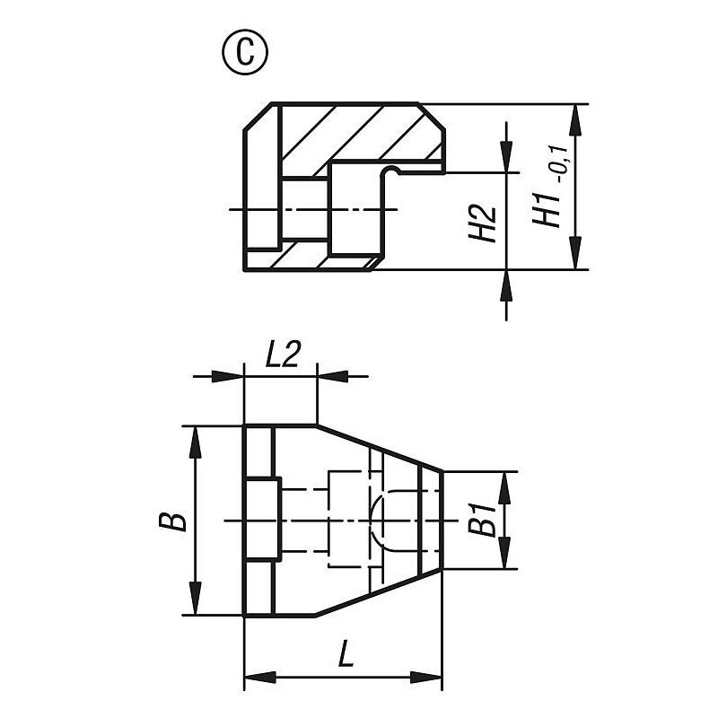
Açıklama
Malzeme:
Sementasyon çeliği.
nitrasyonlu ve perdahlı.
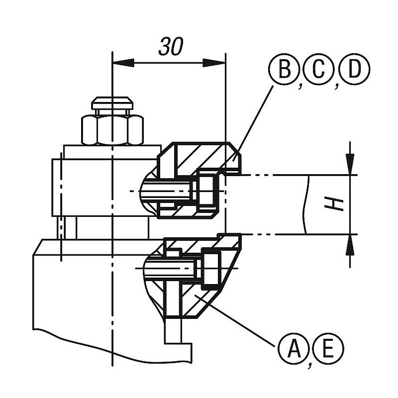
Bu sıkıştırma çeneleri ile yüzer bağlama elemanlarının bağlama aralığı büyütülebilir.
Burada bilgiler toplu halde PDF olarak sunulur:
CAD verileri mi arıyorsunuz? Bunları doğrudan ürün tablosunda bulabilirsiniz.
Bu ürünün adı aynı zamanda gaz bloğu, gaz kütüğü, namlu gaz bloğu, alçak profil gaz bloğu, gaz odası parçası, gaz tahliye bloğu, tüfek gaz bloğu, gaz kanalı gövdesi, hassas gaz bloğu ve gaz geri tepme ünitesi gibi isimler olmaktadır.
Bu ürünün adı İngilizce olarak da gas block, low profile gas block, rifle gas block, barrel gas block, gas manifold, gas port block, micro gas block, steel gas block, adjustable gas block ve gas system block gibi isimler olmaktadır.
Teknikurunler.com sitesi bir Hidkom ürünü olmakla beraber Norelem markalı ürünlerin teknik destek ve satışını yapmaktadır.
WhatsApp us
Değerlendirmeler
Henüz değerlendirme yapılmadı.