/
/
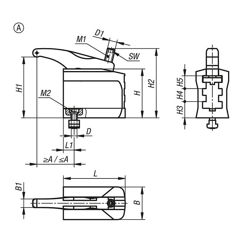
04629-10_A – Kuvvetli sıkıştırıcı 3 kademeli, Form A, sıkıştırma kolu ile

04629-10_A – Kuvvetli sıkıştırıcı 3 kademeli, Form A, sıkıştırma kolu ile

Category

Norelem Türkiye Distribütörü Hidkom Mühendislik'ten sipariş vermek için satis3@hidkom.com adresine mail atabilir veya 0 530 661 62 47 no'lu telefondan ulaşabilirsiniz.


Açıklama

Malzeme:

Islah çeliği.

dövme, siyah galvaniz kaplama.

Ayar cıvatası kullanılarak sıkıştırma kolunun yüksekliği kademesiz şekilde ayarlanır ve iş parçası sıkıştırılır.

1. Taşıyıcı elemanı takım tablasının üzerine konumlandırın ve öngörülen sıkma torkuyla sabitleyin.
2. Sıkıştırma kolunu gerekli pozisyona getirin.
3. Ayar vidasını sıkarak iş parçası gerdirilir.

– 22–49 kN gibi çok yüksek sıkıştırma kuvvetine sahiptir.
– Parçalar kolay monte edilir.
– Hızlı ve kolay şekilde sıkıştırma yapılır.
– Yüksekliği ve uzunluğı kademesiz olarak ayarlanabilir.
– 14–28 mm T kanallarda ve M12, M16, M20 ızgara sistemlerinde kullanılır.
– Düz ve tırtıllı tip baskı parçası mevcuttur.

04630 yükseltme elemanı
04631 Baskı parçaları

– Bağlama ünitesi
– 3 kademeli taşıyıcı eleman
– Sabitleme seti

Burada bilgiler toplu halde PDF olarak sunulur:
CAD verileri mi arıyorsunuz? Bunları doğrudan ürün tablosunda bulabilirsiniz.


Bu ürünün adı aynı zamanda yan bağlama pabucu, kollu bağlama pabucu, mekanik baskı pabucu, yandan sıkmalı pabuç, kaldıraçlı pabuç, kalıpçı pabucu, frezeci pabucu, ayarlanabilir bağlama elemanı, T-kanallı bağlama aparatı ve iş parçası sabitleme pabucu gibi isimler olmaktadır.
Bu ürünün adı İngilizce olarak da side clamp, toe clamp, lever side clamp, machine table clamp, workholding clamp, sliding side clamp, T-slot clamp, mechanical pressure clamp, fixture clamp ve hold-down clamp gibi isimler olmaktadır.

Değerlendirmeler

Henüz değerlendirme yapılmadı.

“04629-10_A – Kuvvetli sıkıştırıcı 3 kademeli, Form A, sıkıştırma kolu ile” için yorum yapan ilk kişi siz olun

E-posta adresiniz yayınlanmayacak. Gerekli alanlar * ile işaretlenmişlerdir

Shopping Cart0

Sepet