/
/
06241 – Mantar başlı düğmeler, antistatik içten dişli

06241 – Mantar başlı düğmeler, antistatik içten dişli

Category

Norelem Türkiye Distribütörü Hidkom Mühendislik'ten sipariş vermek için satis3@hidkom.com adresine mail atabilir veya 0 530 661 62 47 no'lu telefondan ulaşabilirsiniz.


Açıklama

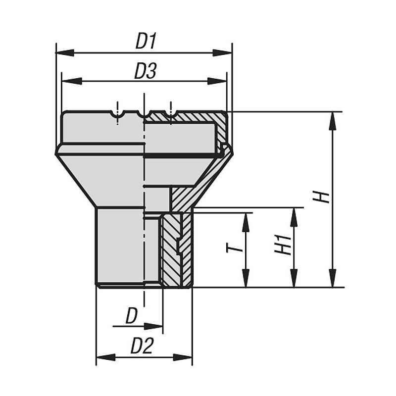
Malzeme:

Termoplastik, grafit siyah.
Burç: çelik 5.8.

Burç mavi pasifleştirilmiş.

Hassas elektrikli veya elektronik yapı parçaları, bileşenler ve cihazlar (ESD- Hassas yapı elemanları), yakın yerlerde gerçekleşen elektrostatik deşarj (electrostatic discharge = ESD) nedeniyle hasar görebilir veya tamamen bozulabilir.
Bir elektrostatik deşarja, insanlar veya hassas ESD yapı elemanlarının kullanılması yol açabilir (örneğin üretim, montaj, nakliye, depolama vs. sırasında).
Elektrostatik deşarjın önlenmesi için elektronik ortamlarda, DIN EN 61340-5-1 standardına uygun elektriksel olarak iletken ürünlerin kullanılması talep edilmektedir.
Bu ürünler, DIN EN 61340-5-1 standardı uyarınca ESD uygulamalarında veya ESD koruma bölgelerinde (EPA) kullanılabilir.

Bu ESD ürünleri, ayrıca patlama riski bulunan alanlardaki cihazlar, bileşenler ve koruma sistemleri için de kullanılabilir.
Bu ESD ürünlerinin kullanılması halinde elektrostatik deşarj ve böylece kapalı alanlarda patlamaya yol açabilecek gazların ve tozların tutuşması önlenir.
Patlama riski bulunan alanlarda çalışan kişilerin korunması amacıyla, cihaz üreticileri ve işletmeciler ATEX yönetmeliklerini uygulamalı ve bu yönetmeliklerce öngörülen gereklilikleri yerine getirmelidir.
Hedef kitleler:
2014/34/AB sayılı ATEX ürün yönetmeliklerini yerine getirmesi gereken cihaz üreticileri.
1999/92/AT sayılı ATEX işletme yönetmeliklerini yerine getirmesi gereken işletmeciler.

Burada bilgiler toplu halde PDF olarak sunulur:
CAD verileri mi arıyorsunuz? Bunları doğrudan ürün tablosunda bulabilirsiniz.

Değerlendirmeler

Henüz değerlendirme yapılmadı.

“06241 – Mantar başlı düğmeler, antistatik içten dişli” için yorum yapan ilk kişi siz olun

E-posta adresiniz yayınlanmayacak. Gerekli alanlar * ile işaretlenmişlerdir

Shopping Cart0

Sepet