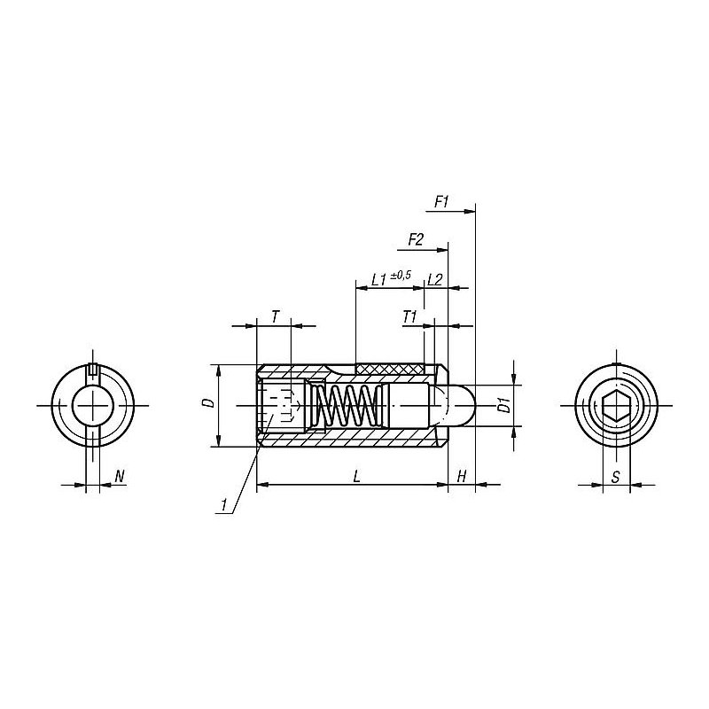
Açıklama
Malzeme:
Kovan: Çelik, mukavemet sınıfı 5.8.
Baskı pimi: POM.
Yay: Paslanmaz çelik, sınıf D.
Dişli sabitleyici: Naylon.
perdahlı.
Burada bilgiler toplu halde PDF olarak sunulur:
CAD verileri mi arıyorsunuz? Bunları doğrudan ürün tablosunda bulabilirsiniz.




Değerlendirmeler
Henüz değerlendirme yapılmadı.