/
/
03051_SF inch – POM’dan yapılmış altıgen soketli ve baskı pimli bilyalı setiskur vidalar, standart yay kuvveti, diş kilitli – inch

03051_SF inch – POM’dan yapılmış altıgen soketli ve baskı pimli bilyalı setiskur vidalar, standart yay kuvveti, diş kilitli – inch

Category

Norelem Türkiye Distribütörü Hidkom Mühendislik'ten sipariş vermek için satis3@hidkom.com adresine mail atabilir veya 0 530 661 62 47 no'lu telefondan ulaşabilirsiniz.


Açıklama

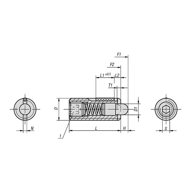
Malzeme:

Kovan: Çelik, mukavemet sınıfı 5.8.
Baskı pimi: POM.
Yay: Paslanmaz çelik, sınıf D.
Dişli sabitleyici: Naylon.

perdahlı.

Aşağıda montaj anahtarlarının kullanılabileceği ilgili inç bilyalı setiskur vidalar gösterilmektedir.
M3 = 6-32
M4 = 8-32 and 8-36
M5 = 10-32
M6 = 1/4-20
M8 = 5/16-18
M10 = 3/8-16
M12 = 5/32
M16 = 5/8-11

Burada bilgiler toplu halde PDF olarak sunulur:
CAD verileri mi arıyorsunuz? Bunları doğrudan ürün tablosunda bulabilirsiniz.


Bu ürünün adı aynı zamanda Yaylı Baskı Pimi, Yaylı Setskur, Bilyalı Setskur, Yaylı Bilya, Bilyalı Baskı Elemanı, Yaylı Baskı Civatası, Setskur Bilya, Yaylı Pim, Yaylı Bilyalı Vida gibi isimler olmaktadır.

Değerlendirmeler

Henüz değerlendirme yapılmadı.

“03051_SF inch – POM’dan yapılmış altıgen soketli ve baskı pimli bilyalı setiskur vidalar, standart yay kuvveti, diş kilitli – inch” için yorum yapan ilk kişi siz olun

E-posta adresiniz yayınlanmayacak. Gerekli alanlar * ile işaretlenmişlerdir

Shopping Cart0

Sepet