/
/
03089 – Plastik mantar tutamaklı ve diş emniyetli kısa tip çelik veya paslanmaz çelik indeksleme pistonları

03089 – Plastik mantar tutamaklı ve diş emniyetli kısa tip çelik veya paslanmaz çelik indeksleme pistonları

Category

Norelem Türkiye Distribütörü Hidkom Mühendislik'ten sipariş vermek için satis3@hidkom.com adresine mail atabilir veya 0 530 661 62 47 no'lu telefondan ulaşabilirsiniz.


Açıklama

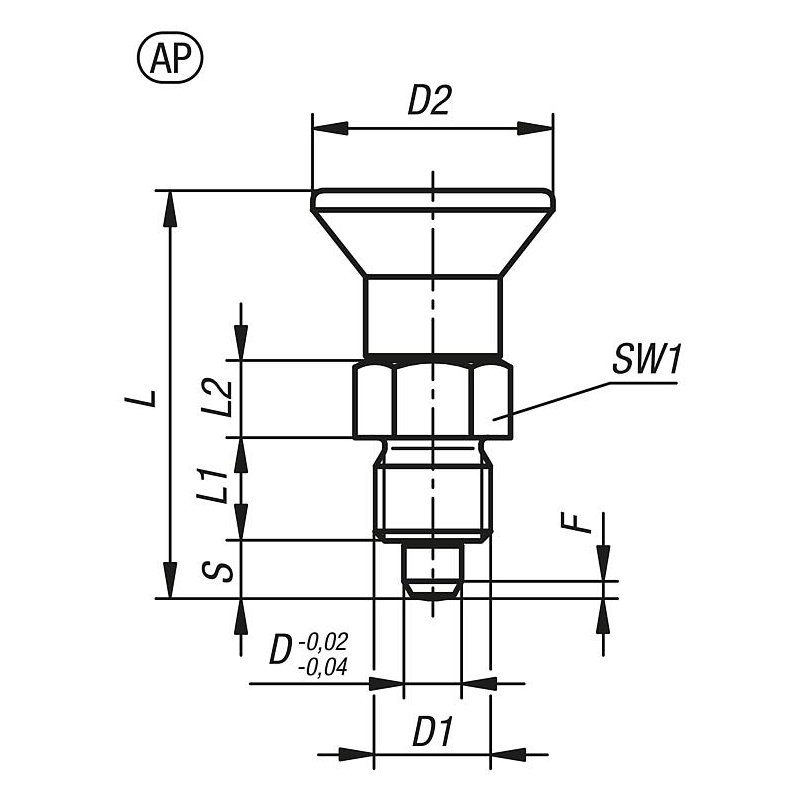
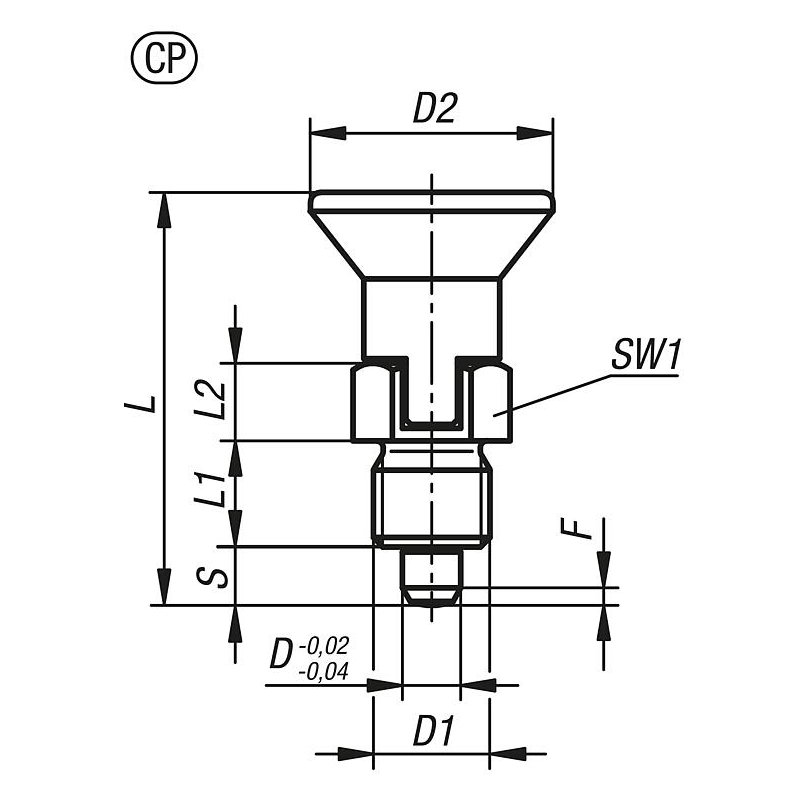
Ürün açıklaması:

İndeksleme pistonları, kilitleme konumunun enine kuvvetler tarafından değiştirilmesinin önleneceği yerlerde kullanılır. Ancak bulon elle çıkartıldıktan sonra başka bir kilitleme konumuna geçilebilir. Çıkartma uzun süre boyunca yapılacaksa ve kilitleme piminin geri sıçraması önlenecekse, Form CP kullanılmalıdır.
Dişli sabitleyici sayesinde montaj derinliği tam olarak mevcut parçalara uyarlanabilir, böylece çakmaya gerek yoktur.

Çelik tasarım:
Dişli kovan ve kilitleme pimi serbest kesimli çelik.
Paslanmaz çelik versiyon:
Dişli kovan ve kilitleme pimi 1.4305.
Mantar tutamak termoplastik.
Dişli kilidi poliamid.

Çelik model:
Dişli kovan karartılmış.
Kilitleme pimi: Sertleştirilmiş, taşlanmış ve karartılmış.
Paslanmaz çelik model:
Dişli kovan yalın.
Kilitleme pimi sertleştirilmiş ve taşlanmış, yalın.
Mantar tutamak siyah gri RAL7021.
Dişli kilidi mavi.

Dişli kilidi, seçici olarak (nokta) uygulanan sıkıştırıcı bir poliamid kaplamadır.

Özel modeller.

Ara halkalar 03089.
İnce duvarlı parçalar için sabitleme kitleri 03094-10.

Burada bilgiler toplu halde PDF olarak sunulur:
CAD verileri mi arıyorsunuz? Bunları doğrudan ürün tablosunda bulabilirsiniz.


Bu ürünün adı aynı zamanda İndeksleme pimi, Yaylı kilitleme pimi, Konumlandırma pimi, Çekmeli pim, Ayarlı pim, Mandallı pim, Sabitleme pimi, Pimli civata, Yaylı pimli kol gibi isimler olmaktadır.

Değerlendirmeler

Henüz değerlendirme yapılmadı.

“03089 – Plastik mantar tutamaklı ve diş emniyetli kısa tip çelik veya paslanmaz çelik indeksleme pistonları” için yorum yapan ilk kişi siz olun

E-posta adresiniz yayınlanmayacak. Gerekli alanlar * ile işaretlenmişlerdir

Shopping Cart0

Sepet