/
/
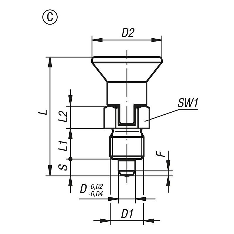
03089_C inch – Kilitleme cıvatası çelik veya paslanmaz çelik kısa versiyon, plastik mantar kavramalı ve kilitleme oluklu, kilit somunsuz – inch

03089_C inch – Kilitleme cıvatası çelik veya paslanmaz çelik kısa versiyon, plastik mantar kavramalı ve kilitleme oluklu, kilit somunsuz – inch

Category

Norelem Türkiye Distribütörü Hidkom Mühendislik'ten sipariş vermek için satis3@hidkom.com adresine mail atabilir veya 0 530 661 62 47 no'lu telefondan ulaşabilirsiniz.


Açıklama

Malzeme:

Çelik model:
Dişli kovan karartılmış.
Kilitleme pimi: sertleştirilmiş, taşlanmış ve karartılmış.
Paslanmaz çelik model:
Dişli kovan kaplamasız.
Kilitleme pimi sertleştirilmiş ve taşlanmış, kaplamasız.
Kilitleme pimi sertleştirilmemiş ve taşlanmamış, kaplamasız.
Mantar tutamak siyah-gri RAL7021.

Özel modeller.

Burada bilgiler toplu halde PDF olarak sunulur:
CAD verileri mi arıyorsunuz? Bunları doğrudan ürün tablosunda bulabilirsiniz.


Bu ürünün adı aynı zamanda İndeksleme pistonu, Yaylı kilitleme pimi, Çekmeli kilitleme pimi, Yaylı kilit, Pozisyonlama pimi, Stop pimi, İndeksleme mandalı, Geri çekmeli kilit, Yaylı pim gibi isimler olmaktadır.

Değerlendirmeler

Henüz değerlendirme yapılmadı.

“03089_C inch – Kilitleme cıvatası çelik veya paslanmaz çelik kısa versiyon, plastik mantar kavramalı ve kilitleme oluklu, kilit somunsuz – inch” için yorum yapan ilk kişi siz olun

E-posta adresiniz yayınlanmayacak. Gerekli alanlar * ile işaretlenmişlerdir

Shopping Cart0

Sepet