/
/
03090 – İndeksleme pistonu çelik veya paslanmaz çelik, plastik mantar tutamaklı, kapaklı

03090 – İndeksleme pistonu çelik veya paslanmaz çelik, plastik mantar tutamaklı, kapaklı

Category

Norelem Türkiye Distribütörü Hidkom Mühendislik'ten sipariş vermek için satis3@hidkom.com adresine mail atabilir veya 0 530 661 62 47 no'lu telefondan ulaşabilirsiniz.


Açıklama

Ürün açıklaması:

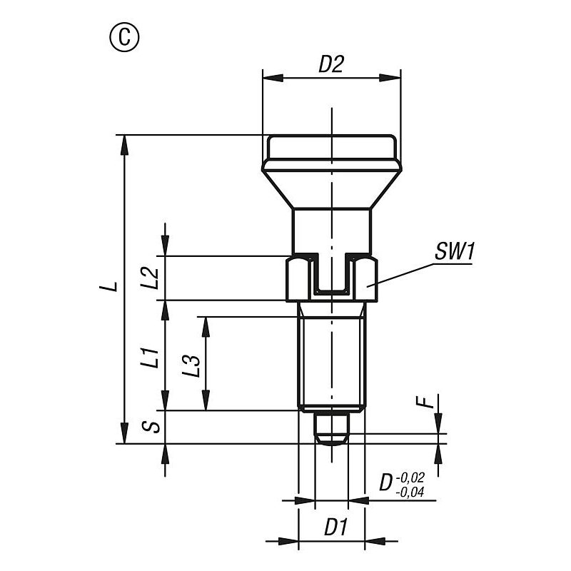
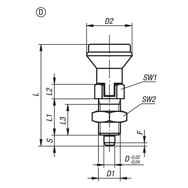
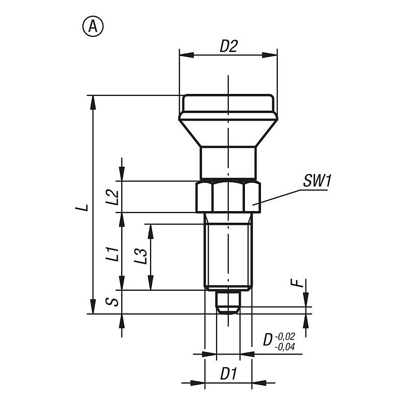
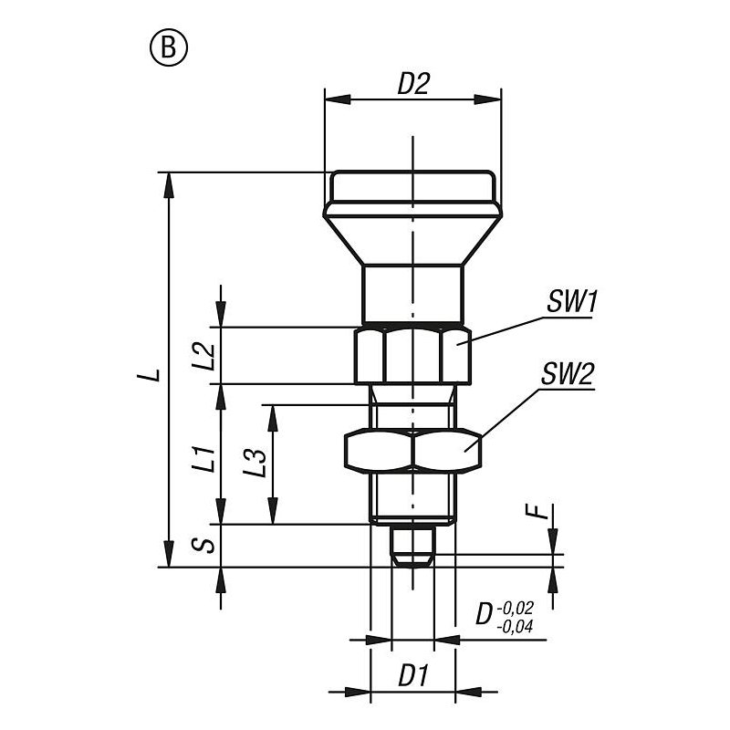
Kilitleme bulonları, kilitleme konumunun enine kuvvetler tarafından değiştirilmesinin önleneceği yerlerde kullanılır. Ancak bulon elle çıkartıldıktan sonra başka bir kilitleme konumuna geçilebilir. Çıkartma uzun süre boyunca yapılacaksa ve kilitleme piminin geri sıçraması önlenecekse, Form C veya Form D kullanılmalıdır.

Çelik model:
Dişli kovan ve kilitleme pimi otomat çeliği.
Paslanmaz çelik versiyon:
Dişli kovan 1.4305.
Kilitleme pimi sertleştirilmiş 1.4034.
Kilitleme pimi sertleştirilmemiş 1.4305.
Mantar tutamak termoplastik.

Çelik model:
Dişli kovan karartılmış.
Kilitleme pimi: Sertleştirilmiş, taşlanmış ve karartılmış.
Paslanmaz çelik model:
Dişli kovan yalın.
Kilitleme pimi sertleştirilmiş ve taşlanmış, yalın.
Kilitleme pimi sertleştirilmemiş ve taşlanmamış, yalın.
Mantar tutamak termoplastik siyah gri RAL7021.

Özel modeller.

Burada bilgiler toplu halde PDF olarak sunulur:
CAD verileri mi arıyorsunuz? Bunları doğrudan ürün tablosunda bulabilirsiniz.


Bu ürünün adı aynı zamanda İndeksleme pistonu, İndeksleme pimi, Yaylı kilitleme pimi, Pozisyonlama pimi, Tespit pimi, Çekmeli pim, Yaylı sürgü, Kilit pimi, Yaylı pim gibi isimler olmaktadır.

Değerlendirmeler

Henüz değerlendirme yapılmadı.

“03090 – İndeksleme pistonu çelik veya paslanmaz çelik, plastik mantar tutamaklı, kapaklı” için yorum yapan ilk kişi siz olun

E-posta adresiniz yayınlanmayacak. Gerekli alanlar * ile işaretlenmişlerdir

Shopping Cart0

Sepet