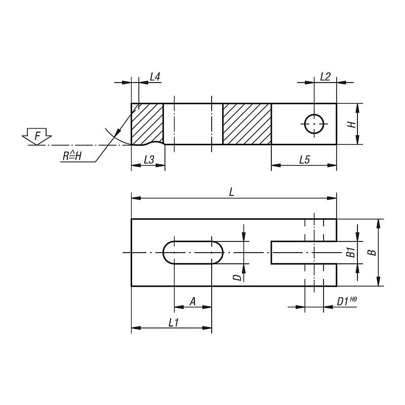
Açıklama
Malzeme:
Islah çeliği 1.1191.
temperlenmiş ve perdahlı.
Uygun aks pimi 04250. Eksantrik kol bkz. 04290. Konik tava 07420 kullanıldığında, Form G kullanılmalıdır.
Burada bilgiler toplu halde PDF olarak sunulur:
CAD verileri mi arıyorsunuz? Bunları doğrudan ürün tablosunda bulabilirsiniz.
Bu ürünün adı aynı zamanda bağlama pabucu, sıkma pabucu, baskı pabucu, çatallı pabuç, fikstür pabucu, ayarlı pabuç, kanallı pabuç, bağlama kolu, kalıp bağlama elemanı, sıkıştırma pabucu gibi isimler olmaktadır.
Bu ürünün adı İngilizce olarak da strap clamp, clamping arm, slotted clamp, forked clamp, fixture clamp, hold-down clamp, workholding clamp, clamping lever, machine tool clamp, U-clamp gibi isimler olmaktadır.
Teknikurunler.com sitesi bir Hidkom ürünü olmakla beraber Norelem markalı ürünlerin teknik destek ve satışını yapmaktadır.
WhatsApp us
Değerlendirmeler
Henüz değerlendirme yapılmadı.