/
/
07175-02 – Küre başlı civata Hygienic DESIGN

07175-02 – Küre başlı civata Hygienic DESIGN

Category

Norelem Türkiye Distribütörü Hidkom Mühendislik'ten sipariş vermek için satis3@hidkom.com adresine mail atabilir veya 0 530 661 62 47 no'lu telefondan ulaşabilirsiniz.


Açıklama

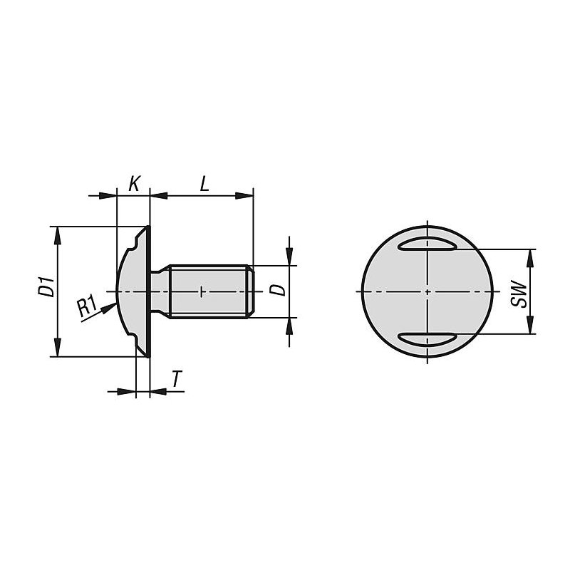
Malzeme:

Paslanmaz çelik 1.4404.

polisajlı.

Kaplama saclarını, pleksiglas kapakları vs. sabitlemek için optimum bağlantı elemanı. Normalin üstünde büyüklükteki bilezik temas yüzeyi ve dişli şaftındaki oyuk, ilgili yüzey üzerinde gerilim olmayan, eşit bir kuvvet dağılımı sağlar. Ayrıca baş yüksekliği ve böylelikle olası rahatsız edici kenarlar mümkün olduğunca azdır. Tahrik, açık ağızlı anahtar aracılığıyla ikili üzerinden gerçekleşir.
Küre başlı cıvatanın yüzeyi polisajlıdır ve cıvatanın şekli hijyenik alanda kullanım için optimize edilmiştir. Yüzeyin pürüzlülük derinliği Ra 0,8 µm değerinin çok altındadır. Ürün veya temizleme maddesinden kirler veya artıklar neredeyse hiç yapışamaz ve kolayca temizlenebilir.

Burada bilgiler toplu halde PDF olarak sunulur:
CAD verileri mi arıyorsunuz? Bunları doğrudan ürün tablosunda bulabilirsiniz.


Bu ürünün adı aynı zamanda tek yönlü vida, geri dönmez vida, hırsız vidası, güvenlik vidası, emniyet vidası, sökülemez vida, sabit vida, mantar başlı emniyet vidası, bombeli tek yönlü vida, kurcalamaya dayanıklı vida gibi isimler olmaktadır.
Bu ürünün adı İngilizce olarak da one-way screw, tamper-proof screw, security screw, permanent fastener, non-removable screw, anti-theft screw, one-way drive screw, slotted one-way screw, permanent screw, one-direction screw gibi isimler olmaktadır.

Değerlendirmeler

Henüz değerlendirme yapılmadı.

“07175-02 – Küre başlı civata Hygienic DESIGN” için yorum yapan ilk kişi siz olun

E-posta adresiniz yayınlanmayacak. Gerekli alanlar * ile işaretlenmişlerdir

Shopping Cart0

Sepet