/
/
22281-10 – Bağlama pabuçları

22281-10 – Bağlama pabuçları

Category

Norelem Türkiye Distribütörü Hidkom Mühendislik'ten sipariş vermek için satis3@hidkom.com adresine mail atabilir veya 0 530 661 62 47 no'lu telefondan ulaşabilirsiniz.


Açıklama

Malzeme:

Sinterlenmiş çelik gövde.
Boyut 5: EN-GJS-400-15.
Boyut 6: S235JR.
Gerdirme kolu: Çelik S235JR.
Doğal kauçuk yay gövdesi.
Cıvata, çelik.

Çelik parçalar boyalı.
Cıvata ISO 4762, sağlamlık sınıfı 8.8 galvaniz kaplama.

Bağlama pabucu entegre yay gövdesi ile, yüksek esnek, form stabil doğal kauçuk.
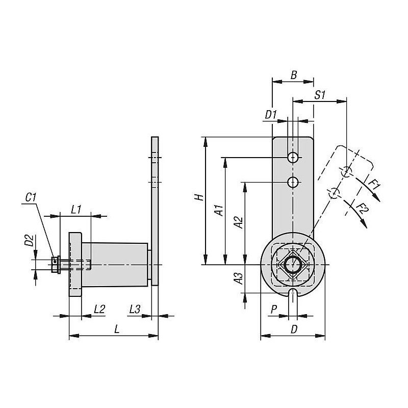
Bağlama pabucu bir zincir kaydırıcı seti, zincir çarkı seti veya bir gerdirme makarası ile birlikte montaja hazır bir gerdirici ünitesi teşkil etmektedir, zincir tahriklerinin ve kayış tahriklerinin gerdirilmesi için uygun. Her iki gerdirme yönü için uygun. Bağlama pabuçları bakım gerektirmez ve kopmaz.
Bir dişli üzerinden bağlama pabucu makine yapı parçasına sabitlenmektedir. Gerekirse bir konumlandırma çentiği “P” üzerinden tork desteği için bir ağır gerdirme pimi kullanılabilir.

-55 °C ila +85 °C.

Burada bilgiler toplu halde PDF olarak sunulur:
CAD verileri mi arıyorsunuz? Bunları doğrudan ürün tablosunda bulabilirsiniz.


1. ‘Bu ürünün adı aynı zamanda zincir gergisi, kayış gergisi, otomatik gergi elemanı, elastomerik gergi, Rosta tipi gergi, yaylı gergi kolu, kauçuk süspansiyon elemanı, mekanik gergi, tahrik gergisi, salıncaklı gergi, torsiyonel gergi ve otomatik kayış-zincir gergisi gibi isimler olmaktadır.’
2. ‘Bu ürünün adı İngilizce olarak da belt tensioner, chain tensioner, tensioning element, rubber suspension unit, Rosta tensioner, automatic tensioner, spring-loaded tensioner, drive tensioner, idler tensioner, torsion element, oscillating mount ve rotary tensioner gibi isimler olmaktadır.’

Değerlendirmeler

Henüz değerlendirme yapılmadı.

“22281-10 – Bağlama pabuçları” için yorum yapan ilk kişi siz olun

E-posta adresiniz yayınlanmayacak. Gerekli alanlar * ile işaretlenmişlerdir

Shopping Cart0

Sepet