/
/
03077 – Bilyalı setiskur vidalar perdahlı model

03077 – Bilyalı setiskur vidalar perdahlı model

Category

Norelem Türkiye Distribütörü Hidkom Mühendislik'ten sipariş vermek için satis3@hidkom.com adresine mail atabilir veya 0 530 661 62 47 no'lu telefondan ulaşabilirsiniz.


Açıklama

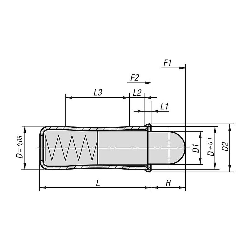
Malzeme:

Kovan ve yay: Paslanmaz çellik.
Bulon: Paslanmaz çelik veya POM.

POM bulonlar, beyaz, +50 °C’ye kadar ısıya karşı dayanıklı.

Preslemek için perdahlı model..
D için montaj deliği toleransı
H7
önerilir.

Burada bilgiler toplu halde PDF olarak sunulur:
CAD verileri mi arıyorsunuz? Bunları doğrudan ürün tablosunda bulabilirsiniz.


Bu ürünün adı aynı zamanda Yaylı Baskı Pimi, Bilyalı Baskı Pimi, Yaylı Pim, Geçme Tip Yaylı Baskı Pimi, Kilit Pimi, İndeks Pimi, Stoper Pimi, Konumlandırma Pimi, Baskı Pimi gibi isimler olmaktadır.

Değerlendirmeler

Henüz değerlendirme yapılmadı.

“03077 – Bilyalı setiskur vidalar perdahlı model” için yorum yapan ilk kişi siz olun

E-posta adresiniz yayınlanmayacak. Gerekli alanlar * ile işaretlenmişlerdir

Shopping Cart0

Sepet