Açıklama
Ürün açıklaması:
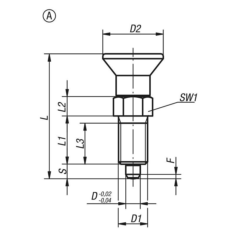
İndeksleme pistonları indeksleme konumunun çapraz kuvvetler nedeniyle değişmesini engellenmesi gerektiği yerlerde kullanılır. Ancak bulon elle çıkartıldıktan sonra başka bir kilitleme konumuna geçilebilir.
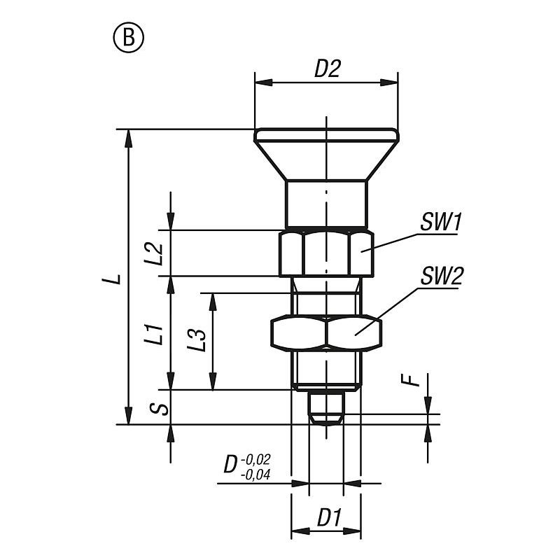
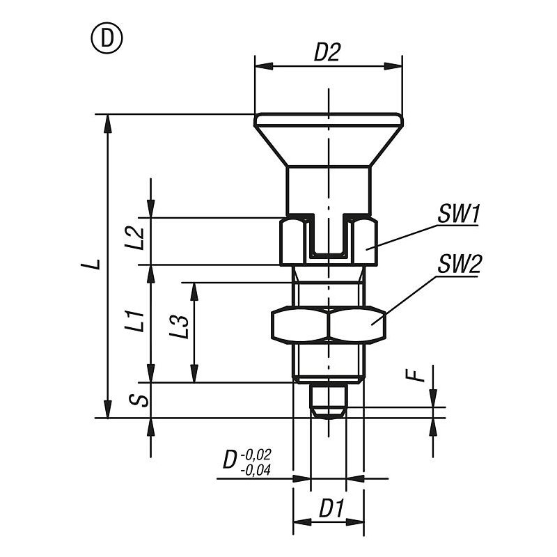
Çıkartma uzun süre boyunca yapılacaksa ve kilitleme piminin geri sıçraması önlenecekse, Form C veya Form D kullanılmalıdır.
Çelik model:
Dişli kovan karartılmış.
Kilitleme pimi: sertleştirilmiş, taşlanmış ve karartılmış.
Paslanmaz çelik model:
Dişli kovan kaplamasız.
Kilitleme pimi sertleştirilmiş ve taşlanmış, kaplamasız.
Kilitleme pimi sertleştirilmemiş ve taşlanmamış, kaplamasız.
Mantar tutamak siyah-gri RAL7021 veya trafik kırmızısı RAL3020.
Kullanılan malzemeler geniş bir uygulama yelpazesine olanak sağlar.
Çok yüksek korozyon direncine sahip gereksinimler için A4 paslanmaz çelikten üretilen indeksleme pistonları önerilir.
Özel modeller.
Burada bilgiler toplu halde PDF olarak sunulur:
CAD verileri mi arıyorsunuz? Bunları doğrudan ürün tablosunda bulabilirsiniz.
Bu ürünün adı aynı zamanda İndeksleme Pistonu, Konumlama Pistonu, Yaylı Pim, Kilitleme Pimi, Çekmeli Pim, İndeks Pimi, Sabitleme Pimi, Plonjör, Yaylı Konumlama Pimi gibi isimler olmaktadır.
Teknikurunler.com sitesi bir Hidkom ürünü olmakla beraber Norelem markalı ürünlerin teknik destek ve satışını yapmaktadır.
WhatsApp us
Değerlendirmeler
Henüz değerlendirme yapılmadı.