/
/
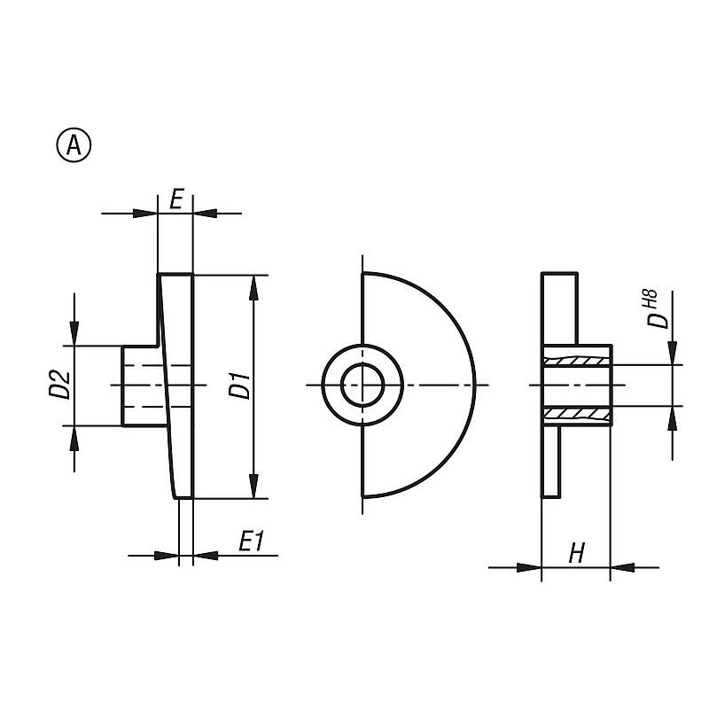
04362_A – Kapı sürgüsü, Form A

04362_A – Kapı sürgüsü, Form A

Category

Norelem Türkiye Distribütörü Hidkom Mühendislik'ten sipariş vermek için satis3@hidkom.com adresine mail atabilir veya 0 530 661 62 47 no'lu telefondan ulaşabilirsiniz.


Açıklama

Malzeme:

Sinterlenmiş çelik.

Burada bilgiler toplu halde PDF olarak sunulur:
CAD verileri mi arıyorsunuz? Bunları doğrudan ürün tablosunda bulabilirsiniz.


Bu ürünün adı aynı zamanda Eksantrik ağırlık, Karşı ağırlık, Balans ağırlığı, Denge ağırlığı, Vibrasyon kütlesi, Titreşim ağırlığı, Merkezkaç ağırlığı, Krank ağırlığı, Yarım ay kütle, Eksantrik volan gibi isimler olmaktadır.
Bu ürünün adı İngilizce olarak da Eccentric weight, Counterweight, Balance mass, Eccentric mass, Vibration weight, Flyweight, Centrifugal mass, Semicircular weight, Offset weight, Unbalanced mass gibi isimler olmaktadır.

Değerlendirmeler

Henüz değerlendirme yapılmadı.

“04362_A – Kapı sürgüsü, Form A” için yorum yapan ilk kişi siz olun

E-posta adresiniz yayınlanmayacak. Gerekli alanlar * ile işaretlenmişlerdir

Shopping Cart0

Sepet