Açıklama
Malzeme:
Paslanmaz çelik 1.4401.
taşlanmış ve polisajlı veya mat kumlanmış.
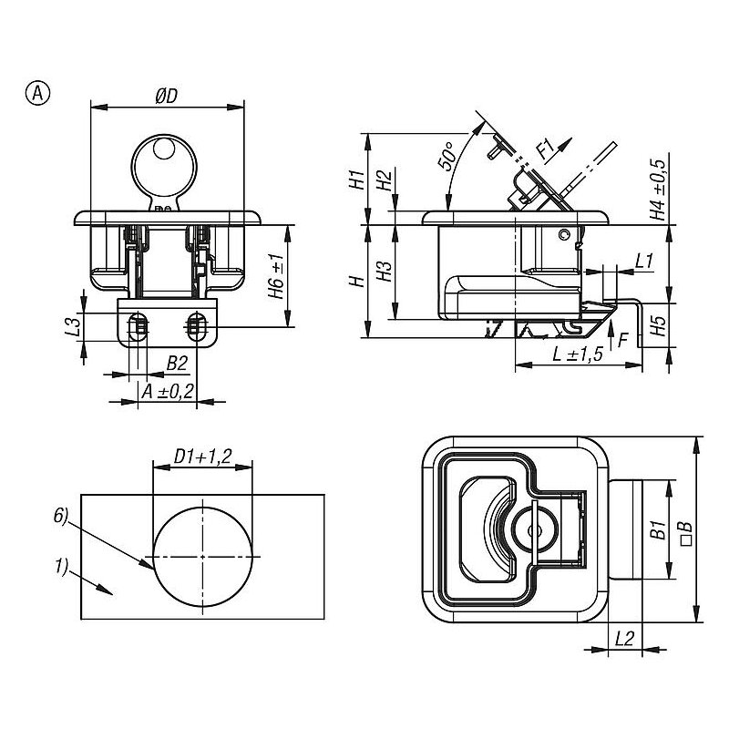
Bu yaylı kilitler gömülü kol ile kapılara, kapaklara ve başlıklara sorunsuz monte edilmek üzere tasarlanmıştır.
Farklı kapı kanadı kalınlıkları için iki farklı ebatta mevcuttur. Kilitlenebilir versiyonlar sayesinde ilave emniyet. Kilit, tüm kilitlerde kullanma özelliğine sahiptir, her kilit aynı anahtar ile açılabilir.
Ön gerilimli kol takırdama oluşmasını önler.
Vidaların sıkılması için maks. tork: 2,4 Nm.
Form A: kilitlenebilir
Form B: kilitlenemez
Tutamağın çekilmesiyle kilit açık konuma getirilir, kapı açılabilir. Kilitleme, kapının bastırılarak kapatılmasıyla otomatik olarak sağlanır. Kilit arka taraftan da kumanda edilebilmektedir.
– Otomobil endüstrisi
– Makine yapımı
– Tekne ve gemi yapımı
– Havacılık ve uzay yolculuğu
– Karavan ve karavancılık
-Tıp teknolojisi
1. Taslağa uygun olarak bir montaj kesiti oluşturun.
2. Montaj dirseğini yerleştirme.
3. Montaj parçaları yardımıyla arka taraftan sabitleme.
Montaj braketi ile buna uygun vidalar (M4) ve montaj dirseği teslimat kapsamında yer almaktadır.
Kilitlenebilir yaylı kilitler 2’şer anahtar ile teslim edilir.
Montaj dirseği için vidalar (M5) teslimat kapsamında yer almaz.
Burada bilgiler toplu halde PDF olarak sunulur:
CAD verileri mi arıyorsunuz? Bunları doğrudan ürün tablosunda bulabilirsiniz.
Teknikurunler.com sitesi bir Hidkom ürünü olmakla beraber Norelem markalı ürünlerin teknik destek ve satışını yapmaktadır.
WhatsApp us
Değerlendirmeler
Henüz değerlendirme yapılmadı.