/
/
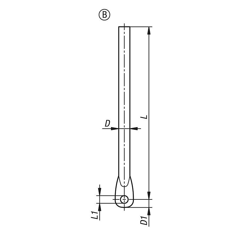
05601-12_B – Döner kol için çelik yuvarlak çubuklar Form B

05601-12_B – Döner kol için çelik yuvarlak çubuklar Form B

Category

Norelem Türkiye Distribütörü Hidkom Mühendislik'ten sipariş vermek için satis3@hidkom.com adresine mail atabilir veya 0 530 661 62 47 no'lu telefondan ulaşabilirsiniz.


Açıklama

Malzeme:

Çelik yuvarlak çubuklar.

Çelik galvaniz kaplama.

Çelik yuvarlak çubuklar, bir kumanda dolabını sabitlemek için döner kollarla birlikte kullanılır. Yuvarlak çubuklar 2 veya 3 noktalı kilitleme sisteminde kullanılabilir.

05600-01 Plastik döner kol, yuvarlak montaj deliği, montaj delikleri arası mesafe 105/130 mm, kapaklı
05600-06 Plastik döner kol, yuvarlak montaj deliği, montaj delikleri arası mesafe 95 mm, kapaklı
05600-02 Plastik döner kol, köşeli montaj deliği, montaj delikleri arası mesafe 50x50x50 mm, kapalı, profil yarım silindirli veya profil yarım silindirsiz.
05600-03 Plastik döner kol, köşeli montaj deliği, montaj delikleri arası mesafe 50x55x50 mm, kapaklı.
05600-04 Plastik döner kol, köşeli montaj deliği, montaj delikleri arası mesafe 50x50x50 mm, profil yarım silindirli.
05600-05 Plastik döner kol, köşeli montaj deliği, montaj delikleri arası mesafe 50x50x50 mm, kapaklı veya kapaksız.
05601-05 Çelik, paslanmaz çelik veya çinko adaptör, çubuklar için.
05601-20 Çinko bağlantı elemanı, yuvarlak çubuklar için.
05601-13 Plastik kılavuzlar, yuvarlak çubuklar için.
05601-14 Plastik dayanaklar, yuvarlak çubuklar için.

Burada bilgiler toplu halde PDF olarak sunulur:
CAD verileri mi arıyorsunuz? Bunları doğrudan ürün tablosunda bulabilirsiniz.


Bu ürünün adı aynı zamanda Bağlantı rotu, Gergi çubuğu, İtme-çekme çubuğu, Askı mili, Destek çubuğu, Kumanda mili, Aktüatör mili, Delikli mil, Perno mili, Mafsal çubuğu ve Vites mili gibi isimler olmaktadır.
Bu ürünün adı İngilizce olarak da Connecting rod, Linkage rod, Push rod, Pull rod, Stay rod, Tie rod, Support rod, Control rod, Actuator rod, Pivot rod ve Linkage bar gibi isimler olmaktadır.

Değerlendirmeler

Henüz değerlendirme yapılmadı.

“05601-12_B – Döner kol için çelik yuvarlak çubuklar Form B” için yorum yapan ilk kişi siz olun

E-posta adresiniz yayınlanmayacak. Gerekli alanlar * ile işaretlenmişlerdir

Shopping Cart0

Sepet