Açıklama
Malzeme:
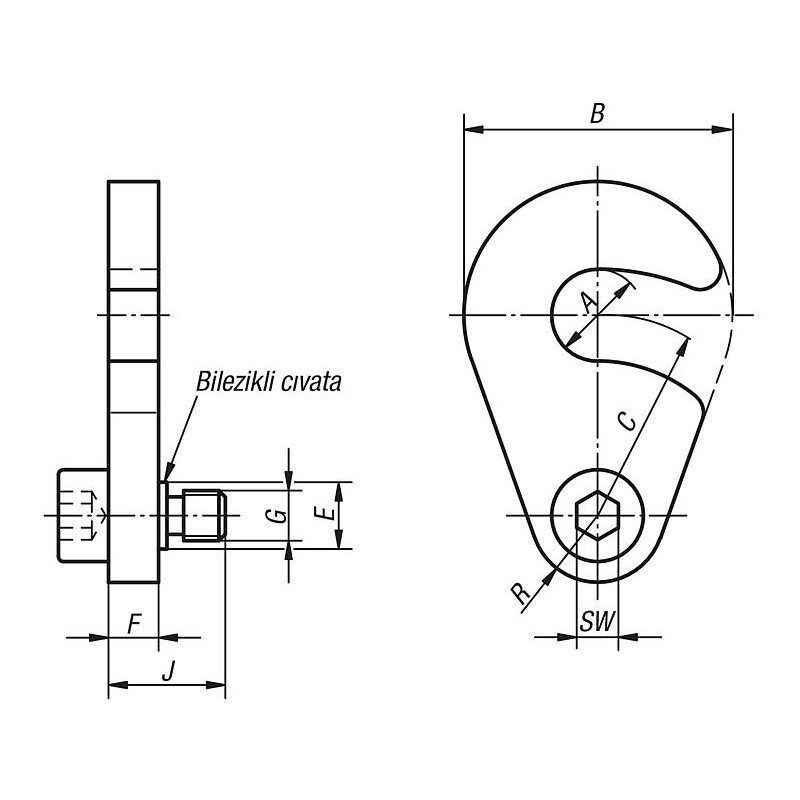
Kaydırma pulu sementasyon çeliği.
Bilezikli cıvata değerli çelik.
Kaydırma pulu sertleştirilmiş ve karartılmış.
Bilezikli cıvata temperlenmiş ve karartılmış.
Burada bilgiler toplu halde PDF olarak sunulur:
CAD verileri mi arıyorsunuz? Bunları doğrudan ürün tablosunda bulabilirsiniz.



Değerlendirmeler
Henüz değerlendirme yapılmadı.