/
/
23023-11 – Elastomer tırnaklı kaplinler setskur donanımlı, paslanmaz çelik

23023-11 – Elastomer tırnaklı kaplinler setskur donanımlı, paslanmaz çelik

Açıklama

Malzeme:

Paslanmaz çelik göbek.
Poliüretan kavrama yıldızı.

Yalın göbek.
Kavrama yıldızı mavi 80 Shore A.
Kavrama yıldızı sarı 92 Shore A.
Kavrama yıldızı kırmızı 98 Shore A.

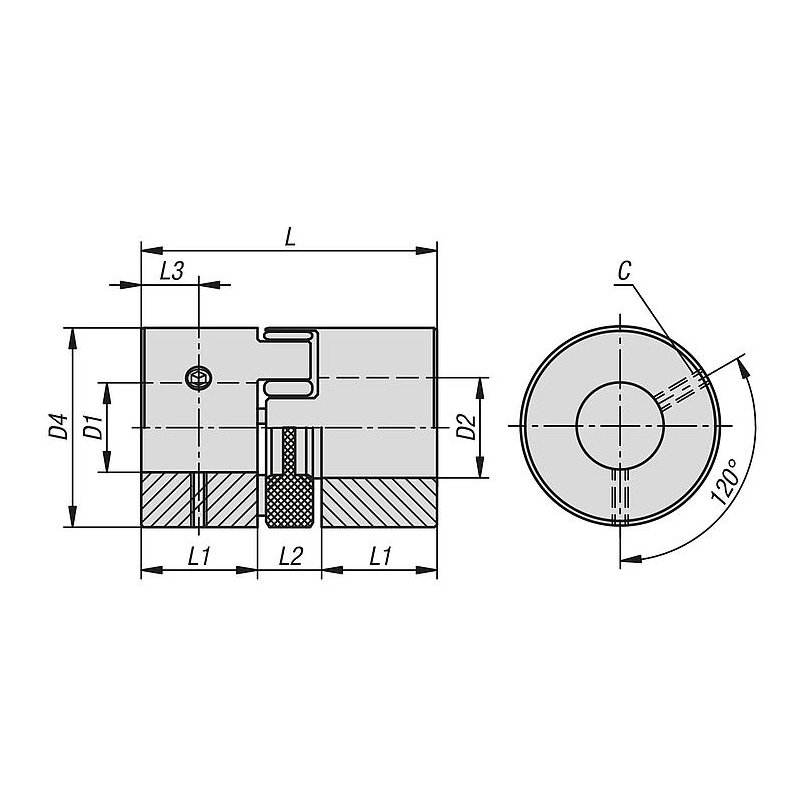
Elastomer tırnaklı kaplinler iki göbek ve bir elastomer kavrama yıldızından oluşur. Eksenel, radyal ve açısal yanlış hizalamaları dengelemek ve titreşimleri ve tork şoklarını sönümlemek için uygundur.
Poliüretan kavrama yıldızı çeşitli sertlik derecelerinde mevcuttur. Kavrama yıldızının sertliği arttıkça iletilecek tork ve sertlik artar; sertlik azaldıkça yer değiştirme kapasitesi ve sönümleme artar.
Kavrama yıldızlarının kavrama göbeklerinde önceden gerilmesi, bu varyantı boşluksuz hale getirir.
Monte edilmeden teslim edilir.

Mavi 80 Shore A: -50 °C ila +80 °C. Kısa süreli -60°C ila +120 °C.
Sarı 92 Shore A: -30 °C ila +90 °C. Kısa süreli -50°C ila +120 °C.
Kırmızı 98 Shore A: -30 °C ila +90 °C. Kısa süreli -40°C ila +120 °C.

Elastomer tırnaklı kaplinler H7 uyumuna sahiptir. Önerilen uyum boşluğu 0,02 mm – 0,05 mm’dir. Bu uyum boşluğu ve mil muylularının yağlanması montajı ve sökmeyi kolaylaştırır.
Montaj için, elastomer tırnaklı kavramanın göbekleri millerin üzerine itilir ve dişli başsız vidalar ile emniyete alınır.

İstenen göbek deliği D1 ve D2, tolerans sınıfı veya tolerans alanı ile ile ayrı olmalıdır.
DIN 6885 uyarınca uygu kaması.

Burada bilgiler toplu halde PDF olarak sunulur:
CAD verileri mi arıyorsunuz? Bunları doğrudan ürün tablosunda bulabilirsiniz.

Loader Loading...
EAD Logo Taking too long?

Reload Reload document
| Open Open in new tab
Category

Norelem Türkiye Distribütörü Hidkom Mühendislik'ten sipariş vermek için satis3@hidkom.com adresine mail atabilir veya 0 224 243 82 92 no'lu telefondan ulaşabilirsiniz.


Açıklama

Malzeme:

Paslanmaz çelik göbek.
Poliüretan kavrama yıldızı.

Yalın göbek.
Kavrama yıldızı mavi 80 Shore A.
Kavrama yıldızı sarı 92 Shore A.
Kavrama yıldızı kırmızı 98 Shore A.

Elastomer tırnaklı kaplinler iki göbek ve bir elastomer kavrama yıldızından oluşur. Eksenel, radyal ve açısal yanlış hizalamaları dengelemek ve titreşimleri ve tork şoklarını sönümlemek için uygundur.
Poliüretan kavrama yıldızı çeşitli sertlik derecelerinde mevcuttur. Kavrama yıldızının sertliği arttıkça iletilecek tork ve sertlik artar; sertlik azaldıkça yer değiştirme kapasitesi ve sönümleme artar.
Kavrama yıldızlarının kavrama göbeklerinde önceden gerilmesi, bu varyantı boşluksuz hale getirir.
Monte edilmeden teslim edilir.

Mavi 80 Shore A: -50 °C ila +80 °C. Kısa süreli -60°C ila +120 °C.
Sarı 92 Shore A: -30 °C ila +90 °C. Kısa süreli -50°C ila +120 °C.
Kırmızı 98 Shore A: -30 °C ila +90 °C. Kısa süreli -40°C ila +120 °C.

Elastomer tırnaklı kaplinler H7 uyumuna sahiptir. Önerilen uyum boşluğu 0,02 mm – 0,05 mm’dir. Bu uyum boşluğu ve mil muylularının yağlanması montajı ve sökmeyi kolaylaştırır.
Montaj için, elastomer tırnaklı kavramanın göbekleri millerin üzerine itilir ve dişli başsız vidalar ile emniyete alınır.

İstenen göbek deliği D1 ve D2, tolerans sınıfı veya tolerans alanı ile ile ayrı olmalıdır.
DIN 6885 uyarınca uygu kaması.

Burada bilgiler toplu halde PDF olarak sunulur:
CAD verileri mi arıyorsunuz? Bunları doğrudan ürün tablosunda bulabilirsiniz.

Değerlendirmeler

Henüz değerlendirme yapılmadı.

“23023-11 – Elastomer tırnaklı kaplinler setskur donanımlı, paslanmaz çelik” için yorum yapan ilk kişi siz olun

E-posta adresiniz yayınlanmayacak. Gerekli alanlar * ile işaretlenmişlerdir

Shopping Cart0

Sepet