Açıklama
Malzeme:
Paslanmaz takım çeliği.
Fonksiyon yüzeyleri: sertleştirilmiş ve taşlanmış.
Ana gövde sıkıştırma pimi tek parçalı.
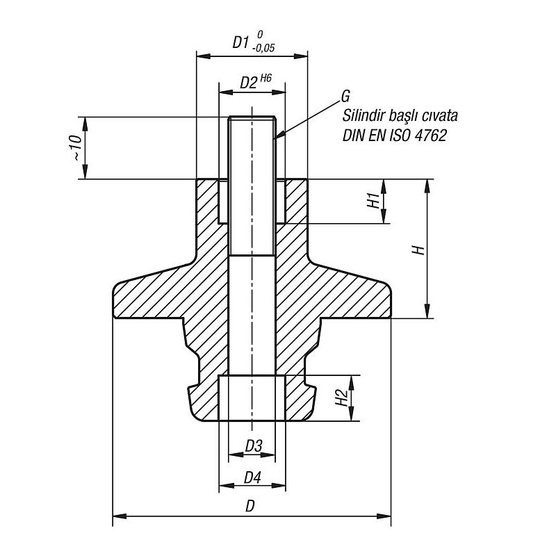
UNILOCK 5 akslı redüksiyon adaptörleri, iş parçasını sıkıştırmak ve konumlandırmak için uygundur.
Redüksiyon adaptörleri, iş parçası ile birlikte vidalanabilir ve bir arada temel modül veya üstyapı gergi modülüne takılabilir.
Sistem boyutu 50 olan redüksiyon adaptörü ayrıca sistem boyutu 80 ile kombine edilebilir.
Burada bilgiler toplu halde PDF olarak sunulur:
CAD verileri mi arıyorsunuz? Bunları doğrudan ürün tablosunda bulabilirsiniz.
Bu ürünün adı aynı zamanda sıfır noktası bağlama pimi, redüksiyon adaptörü, 5 eksen bağlama elemanı, Unilock pimi, çektirme pimi, bağlama civatası, hızlı bağlama aparatı, kalıp bağlama elemanı, redüksiyon pimi, kilit pimi ve merkezleme pimi gibi isimler olmaktadır.
Bu ürünün adı İngilizce olarak da zero-point clamping pin, reduction adapter, pull stud, clamping bolt, locating pin, Unilock 5-axis adapter, clamping stud, positioning pin, fixture stud, interface bolt, retention knob ve clamping nipple gibi isimler olmaktadır.
Teknikurunler.com sitesi bir Hidkom ürünü olmakla beraber Norelem markalı ürünlerin teknik destek ve satışını yapmaktadır.
WhatsApp us
Değerlendirmeler
Henüz değerlendirme yapılmadı.