Açıklama
Malzeme:
Çelik ana plaka.
Sertleştirilmiş çelik sıkıştırma modülü.
Ana plaka her iki tarafı taşlanmış ve oksitlenmiştir.
Germe modülü fonksiyonel yüzeyler sertleştirilmiş ve taşlanmıştır.
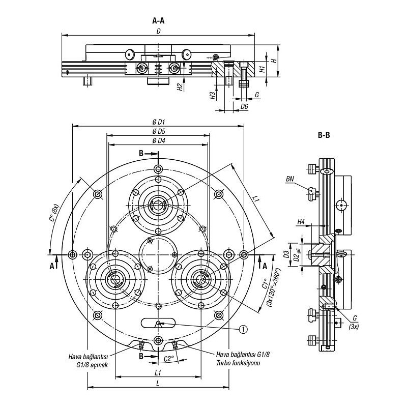
Torna-freze merkezleri için entegre UNILOCK ESM138-C germe modüllerine sahip önceden monte edilmiş dönmeli sıkıştırma istasyonları. Sıkıştırma istasyonları, tornalama teknolojisi ile sabit sıkıştırma teknolojisinin birleştirilmesine olanak tanır. Sıkıştırma istasyonları, merkezleme pimleri ve blok somunlar kullanılarak makine tablasına bağlanır.
Germe modülleri bir pnömatik bağlantı üzerinden merkezi olarak çalıştırılır.
Yüksek gerdirme güçleri entegre yay paketi aracılığıyla üretilmektedir (ünite basınçsız gerdirilmiştir). Görsel bir gösterge kalemi turbo fonksiyonunun etkinleştirildiğini gösterir.
Çözme işlemi pnömatik olarak gerçekleşir.
UNILOCK sıkıştırma pimleri ve M10, M12, M16 sabitleme cıvataları ile aşağıdaki tutma güçleri mümkündür:
– Tutma gücü (M10) 35 000 N/modül
– Tutma gücü (M12) 50 000 N/modül
– Tutma gücü (M16) 75 000 N/modül
Silindir başlı cıvata ile tutma gücü DIN EN ISO 4762 -12.9
Sıkıştırma pimleri sadece sıkıştırma modülündeki monte edilmiş bir değişim ünitesi ile bağlantılı olarak sıkıştırılabilir.
42756-10-320045075
Maks. devir sayısı: 1400 1/dak
42756-10-520057079
Maks. devir sayısı: 2000 1/dak
– Açılış basıncı: 6 bar, yağlanmış hava.
– Hava bağlantısı: G1/8.
– Tekrarlama hassasiyeti ≤0,005 mm.
– Konsantriklik <0,02 mm.
+5 °C ila +60 °C.
Özel ölçülü sıkıştırma istasyonu.
– UNILOCK sıkıştırma pimi 42208.
– Sıfır nokta gerdirme sistemi için UNILOCK değiştirme paletleri 42755.
– Germe modülleri için UNILOCK koruyucu pim 42796.
– Germe modülleri için UNILOCK kapak 42796.
– Sıkıştırma istasyonu.
– Sabitleme cıvataları.
– Merkezleme pimi.
– Hizalama pimleri.
– Blok somunlar.
– Halka cıvatalar.
– Kullanım talimatı.
Burada bilgiler toplu halde PDF olarak sunulur:
CAD verileri mi arıyorsunuz? Bunları doğrudan ürün tablosunda bulabilirsiniz.
Bu ürünün adı aynı zamanda Sıfır noktası bağlama sistemi, Hızlı değiştirme tablası, CNC bağlama aparatı, İş parçası referans sistemi, Çoklu bağlama modülü, Pnömatik kilitleme tablası, Paletleme ünitesi, Hassas işleme fikstürü, Mekanik kilitli bağlama gövdesi, Bağlama pleyti gibi isimler olmaktadır.
Bu ürünün adı İngilizce olarak da Zero-point clamping system, Quick-change pallet system, Receiver plate, Workholding base station, Modular clamping system, CNC reference system, Zero-point mounting plate, Pneumatic clamping module, Quick-action workholding unit, Pallet receiver station gibi isimler olmaktadır.
Teknikurunler.com sitesi bir Hidkom ürünü olmakla beraber Norelem markalı ürünlerin teknik destek ve satışını yapmaktadır.
WhatsApp us
Değerlendirmeler
Henüz değerlendirme yapılmadı.