/
/
03089 – İndeksleme pistonu kısa versiyon paslanmaz çelik mantar tutamaklı

03089 – İndeksleme pistonu kısa versiyon paslanmaz çelik mantar tutamaklı

Category

Norelem Türkiye Distribütörü Hidkom Mühendislik'ten sipariş vermek için satis3@hidkom.com adresine mail atabilir veya 0 530 661 62 47 no'lu telefondan ulaşabilirsiniz.


Açıklama

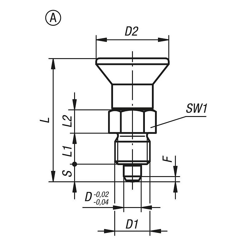
Ürün açıklaması:

İndeksleme pistonları kilitleme konumunun enine kuvvetler nedeniyle değişmesinin engellenmesi gerektiğinde kullanılır.
Bununla ilgili örnekler makine, cihaz, mobilya ve özel araç yapımında uzunluk ve yükseklik sabitlemesi ve ayrıca konum sabitlemesidir.
Ancak indeksleme pistonu elle çıkartıldıktan sonra başka bir kilitleme konumuna geçilebilir. Çıkartma uzun süre boyunca yapılacaksa ve kilitleme piminin geri sıçraması önlenecekse, Form C veya Form D kullanılmalıdır.

Paslanmaz çelik versiyon A1:
Dişli manşon ve mantar tutamak yalın.
Kilitleme pimi sertleştirilmiş ve taşlanmış, yalın.
Kilitleme pimi sertleştirilmemiş ve taşlanmamış, parlak.
Paslanmaz çelik model A4:
Dişli kovan yalın.
Mantar tutamak yalın veya kumlanmış.
Kilitleme pimi topraklanmış ve kimyasal olarak nikel kaplanmıştır.
Kilitleme pimi topraklamış, yalın.

Kullanılan malzemeler geniş bir uygulama yelpazesine olanak sağlar.
Çok yüksek korozyon direncine sahip gereksinimler için A4 paslanmaz çelikten üretilen indeksleme pistonları önerilir.

Özel modeller.

Konumlandırma burçları 03099-50.
Mesafe halkaları 03089.
İnce cidarlı parçalar için paslanmaz çelik sabitleme setleri 03094-10.

Burada bilgiler toplu halde PDF olarak sunulur:
CAD verileri mi arıyorsunuz? Bunları doğrudan ürün tablosunda bulabilirsiniz.


Bu ürünün adı aynı zamanda İndeksleme Pimi, Konumlandırma Pimi, Yaylı İndeksleme Elemanı, Kilitleme Pimi, İndeks Pimi, Yaylı Pim, Stop Pimi, Bas-Çek Pim, Tespit Pimi gibi isimler olmaktadır.

Değerlendirmeler

Henüz değerlendirme yapılmadı.

“03089 – İndeksleme pistonu kısa versiyon paslanmaz çelik mantar tutamaklı” için yorum yapan ilk kişi siz olun

E-posta adresiniz yayınlanmayacak. Gerekli alanlar * ile işaretlenmişlerdir

Shopping Cart0

Sepet