Açıklama
Ürün açıklaması:
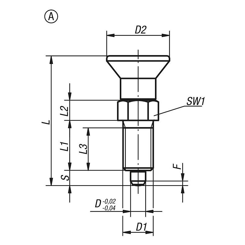
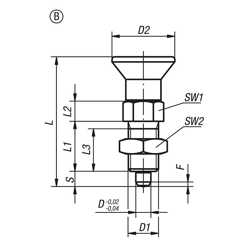
İndeksleme pistonları indeksleme konumunun çapraz kuvvetler nedeniyle değişmesini engellenmesi gerektiği yerlerde kullanılır. Ancak bulon elle çıkartıldıktan sonra başka bir kilitleme konumuna geçilebilir.
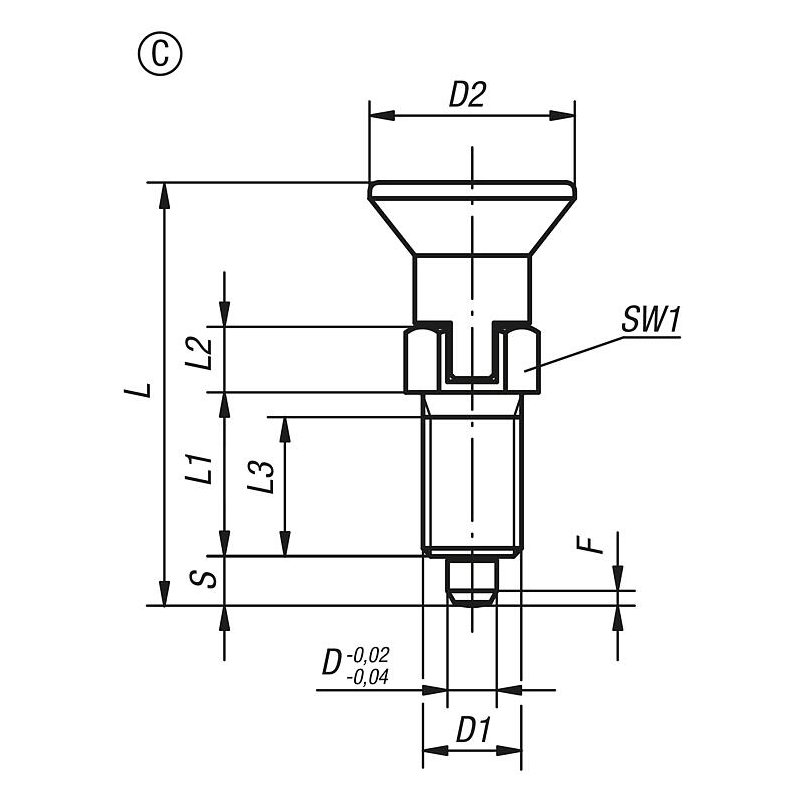
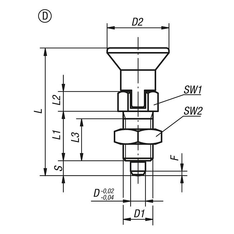
Çıkartma uzun süre boyunca yapılacaksa ve kilitleme piminin geri sıçraması önlenecekse, Form C veya Form D kullanılmalıdır.
Çelik tasarım:
Dişli kovan ve kilitleme pimi serbest kesimli çelik.
Paslanmaz çelik versiyon A1:
Dişli kovan 1.4305.
Kilitleme pimi sertleştirilmiş 1.4034.
Kilitleme pimi sertleştirilmemiş 1.4305.
Paslanmaz çelik versiyon A4:
Dişli kovan ve kilitleme pimi 1.4404.
Mantar tutamak termoplastik.
Çelik model:
Dişli kovan karartılmış.
Kilitleme pimi: Sertleştirilmiş, taşlanmış ve karartılmış.
Paslanmaz çelik model A1:
Dişli kovan yalın.
Kilitleme pimi sertleştirilmiş ve taşlanmış, yalın.
Kilitleme pimi sertleştirilmemiş ve taşlanmamış, yalın.
Paslanmaz çelik model A4:
Dişli kovan yalın.
Kilitleme pimi topraklanmış ve kimyasal olarak nikel kaplanmıştır.
Kilitleme pimi topraklamış, yalın.
Mantar tutamak siyah-gri RAL7021 veya trafik kırmızısı RAL3020.
Kullanılan malzemeler geniş bir uygulama yelpazesine olanak sağlar.
Çok yüksek korozyon direncine sahip gereksinimler için A4 paslanmaz çelikten üretilen indeksleme pistonları önerilir.
Özel modeller.
Burada bilgiler toplu halde PDF olarak sunulur:
CAD verileri mi arıyorsunuz? Bunları doğrudan ürün tablosunda bulabilirsiniz.








Değerlendirmeler
Henüz değerlendirme yapılmadı.