/
/
03093 – Plastik mantar tutamaklı ve uzun kilitleme pimli bileziksiz çelik veya paslanmaz çelik indeksleme pistonları

03093 – Plastik mantar tutamaklı ve uzun kilitleme pimli bileziksiz çelik veya paslanmaz çelik indeksleme pistonları

Category

Norelem Türkiye Distribütörü Hidkom Mühendislik'ten sipariş vermek için satis3@hidkom.com adresine mail atabilir veya 0 530 661 62 47 no'lu telefondan ulaşabilirsiniz.


Açıklama

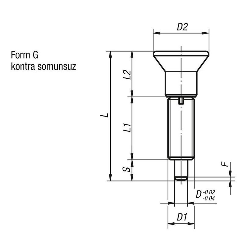
Ürün açıklaması:

İndeksleme pistonları kilitleme konumunun çapraz kuvvetler nedeniyle değişmesinin engellenmesi gerektiği yerlerde kullanılır. Ancak pim elle çıkartıldıktan sonra başka bir kilitleme konumuna geçilebilir.

Çelik model:
Dişli kovan karartılmış.
Kilitleme pimi: sertleştirilmiş, taşlanmış ve karartılmış.
Paslanmaz çelik model:
Dişli kovan kaplamasız.
Kilitleme pimi sertleştirilmiş ve taşlanmış, kaplamasız.
Kilitleme pimi sertleştirilmemiş ve taşlanmamış, kaplamasız.
Mantar tutamak siyah-gri RAL 7021.

Indeksleme pistonlarının vidalanması için bir vidalama pulu teslim edilebilir. Bu şekilde, çıkmış mantar tutamağın altına, taşıma pimlerinin yuvaya gireceği şekilde itilir.

Özel modeller.

Burada bilgiler toplu halde PDF olarak sunulur:
CAD verileri mi arıyorsunuz? Bunları doğrudan ürün tablosunda bulabilirsiniz.


Bu ürünün adı aynı zamanda İndeksleme pistonu, Yaylı kilitleme pimi, Konumlandırma pimi, İndeks pimi, Çekmeli pim, Yaylı piston, Kilitleme pistonu, Pozisyonlama pimi, Mekanik kilitleme pimi gibi isimler olmaktadır.

Değerlendirmeler

Henüz değerlendirme yapılmadı.

“03093 – Plastik mantar tutamaklı ve uzun kilitleme pimli bileziksiz çelik veya paslanmaz çelik indeksleme pistonları” için yorum yapan ilk kişi siz olun

E-posta adresiniz yayınlanmayacak. Gerekli alanlar * ile işaretlenmişlerdir

Shopping Cart0

Sepet