/
/
23681 – Bronz kılavuz burçları DIN 9834/ ISO 9448, bilezikli, bakım gerektirmez

23681 – Bronz kılavuz burçları DIN 9834/ ISO 9448, bilezikli, bakım gerektirmez

Category

Norelem Türkiye Distribütörü Hidkom Mühendislik'ten sipariş vermek için satis3@hidkom.com adresine mail atabilir veya 0 530 661 62 47 no'lu telefondan ulaşabilirsiniz.


Açıklama

Malzeme:

Grafit parçalı bronz.

Kendinden yağlamalı.
Sertlik 190-220 HB.

Kılavuz burçları radyal ve eksenel olarak kullanılabilir.
Kayar elemanlar bakım gerektirmez ve aşınmaya karşı dayanıklıdır.
Grafit parçalar sayesinde ömür boyu yağlama elde edilir.
0,5 m/s altındaki kayma hızları için tercih edilebilir. (Daha yüksek kayma hızlarında ve ekstrem zorlanmalarda ek yağlama yapılması önerilir).

Malzeme özellikleri:
Temel alaşım: CuZn25Al5Mn4Fe3-C
Yoğunluk: 8,0 g/cm
3
Çekme mukavemeti Rm: 750 N/mm
2
Esneme sınırı: 450 N/mm
2
Kırılma uzaması A5: %5-8
Sürtünme katsayısı: 0,05 – 0,12
Maksimum hız: 15 m/dak
Isı iletimi: 50 W/m x k
Isıl genleşme katsayısı: 18 x 10
-6
Elektrik iletkenliği: 7-8 m/(Ω x mm
2
)
Katı yağlama maddesi oranı: %25-30

Kısa süreli uç sıcaklıklar 200 °C’ye kadar.

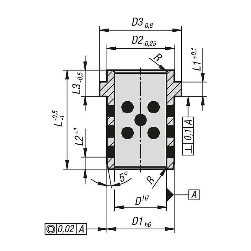
Tutucu kıskaçlar 23682.

Kaymalı yatağı tutma deliği, H7 ISO toleransına uygun olmalıdır.
Milde h6 – h7 toleransı önerilir.

Burada bilgiler toplu halde PDF olarak sunulur:
CAD verileri mi arıyorsunuz? Bunları doğrudan ürün tablosunda bulabilirsiniz.

Değerlendirmeler

Henüz değerlendirme yapılmadı.

“23681 – Bronz kılavuz burçları DIN 9834/ ISO 9448, bilezikli, bakım gerektirmez” için yorum yapan ilk kişi siz olun

E-posta adresiniz yayınlanmayacak. Gerekli alanlar * ile işaretlenmişlerdir

Shopping Cart0

Sepet