/
/
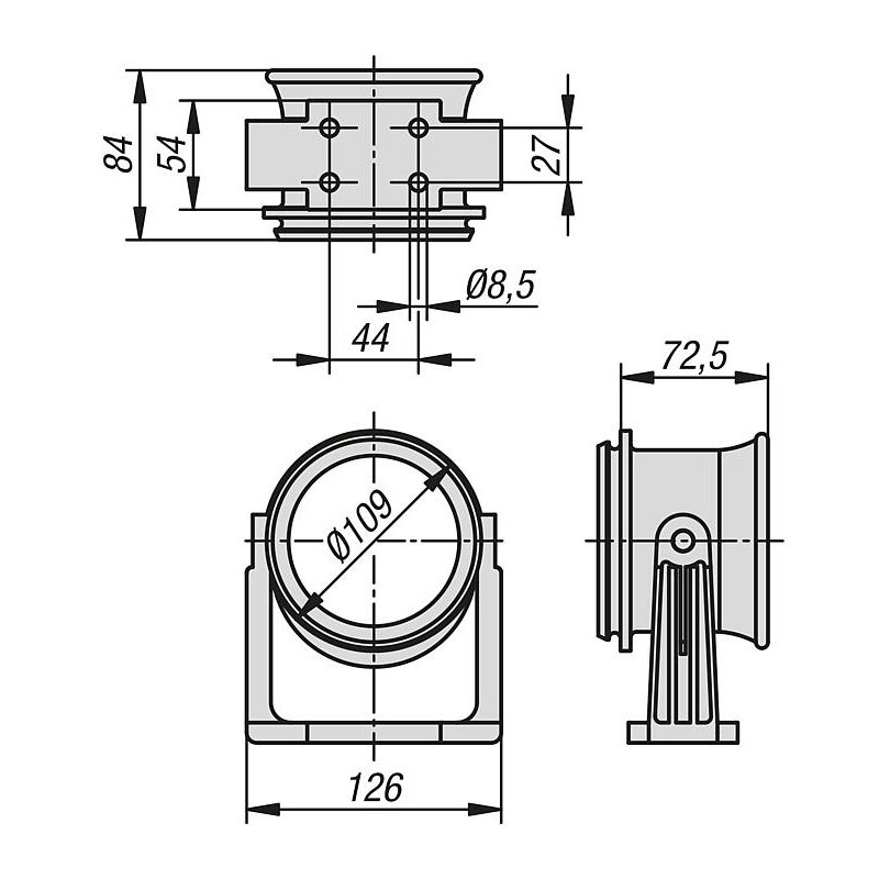
80855-41 – Yaylı durduruculu döner çatallar

80855-41 – Yaylı durduruculu döner çatallar

Category

Norelem Türkiye Distribütörü Hidkom Mühendislik'ten sipariş vermek için satis3@hidkom.com adresine mail atabilir veya 0 530 661 62 47 no'lu telefondan ulaşabilirsiniz.


Açıklama

Malzeme:

Poliamid PA6.

siyah.

Geri dönüş yayını yerleştirmek için yay durduruculu döner çatal.
Bir geri dönüş yayı ve bir koruyucu ile birlikte, enerji zinciri için eksiksiz bir yay geri dönüş sistemi oluşturulur. Koruyucu, yay için sabit bir nokta görevi görür.
Bir yay geri dönüş sistemi, robot üzerindeki enerji zincirinin yönlendirilmesini destekler. Manipülatörde gerekli enerji zinciri için uzunluk telafisi sağlarlar ve ilmeğin aşağı sarkmasını (ilmek oluşumu) önlerler. Amaç, hortum paketini robota mümkün olduğunca yakın yönlendirmektir. Bu, enerji zincirini rahatlatır ve aşınmayı azaltır.

-45 °C ile +105 °C arasında (kısa süreliğine +150 °C’ye kadar).

Koruyucular 80855-15.
Dönüş yayları 80855-45.

Burada bilgiler toplu halde PDF olarak sunulur:
CAD verileri mi arıyorsunuz? Bunları doğrudan ürün tablosunda bulabilirsiniz.


Bu ürünün adı aynı zamanda Gösterge yuvası, Gösterge kadehi, Gösterge podu, Gösterge tutucu, Gösterge ayağı, Gösterge muhafazası, Harici gösterge kabı, Kadran yuvası, Gösterge montaj kiti ve Torpido üstü gösterge yuvası gibi isimler olmaktadır.
Bu ürünün adı İngilizce olarak da Gauge pod, Gauge cup, Gauge mounting bracket, Instrument pod, Dash pod, Universal gauge holder, Gauge housing, External gauge mount, Tachometer pod ve Swivel gauge cup gibi isimler olmaktadır.

Değerlendirmeler

Henüz değerlendirme yapılmadı.

“80855-41 – Yaylı durduruculu döner çatallar” için yorum yapan ilk kişi siz olun

E-posta adresiniz yayınlanmayacak. Gerekli alanlar * ile işaretlenmişlerdir

Shopping Cart0

Sepet